


QMFD-100
電磁脈沖閥是由
QMF-100
型脈沖閥和
KXD
型電磁閥結合而成的一體脈沖電磁閥。脈沖閥出口采用耐壓膠管與噴吹管聯接。電磁閥特點及技術參數與
KXD
型電磁閥相同。工作壓力:
0.3-0.7Mpa
該閥主要用于
MC
側開門式
MC-1
型脈沖袋式除塵器噴吹系統。
電磁閥特點及技術參數與KXD型電磁閥相同。
工作壓力:0.3-0.7Mpa
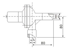
QMFD-100電磁脈沖閥主要用于MC側開門式MC-1型脈沖袋式除塵器噴吹系統。QMFD-100電磁脈沖閥是由QMF-100型脈沖閥和KXD型電磁閥結合而成的一體脈沖電磁閥。
脈沖閥出口采用耐壓膠管與噴吹管聯接。

冀公網安備 13098102000349號